case-img

Tubular Vials With Stopper And Caps

Features
Minimum Order Quantity (MOQ):MOQ 3000
  • FREE SAMPLE
  • FREE RETURNS

*Customization is always available, please mark down your need in cart or just contact us.

  • Glass containers Project Monitoring icon Project Monitoring
  • Glass containers shipping order track icon Shipping Order Track
  • Glass containers instructions for use icon Instructions for Use
  • Glass containers VIP customer service icon VIP Customer Service
  • Glass containers intact guarantee icon Intact Guarantee
Product Features:
1. Vial Volume: 1ML,2ML, 4ML, 5ML, 7ML, 8ML, 10ML, 16ML, 20ML, 30ML, 40ML, 60ML
2. Vial Color: Clear, Amber,blue,etc
3. borosilicate glass tube and soda lime glass tube
4. PP Cap Size: 9-425, 13-425, 15-425, 18-400, 20-400, 24-400
4. Septe Material: PTFE/Silicone, PE, PE/Aluminum Foil
6. Kit Packing are available.
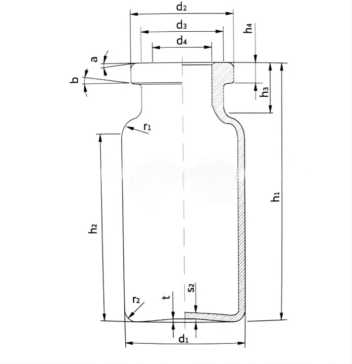
Specification
Specification

ml
2R
4R
6R
8R
10R
15R
20R
Tube O.D.
d1
mm
16.00
22.00
24.00
30.00
Crown O.D.
d2
mm
13.00
20.00
Neck I.D.
d4
mm
7.00
12.60
17.5
Overall L.
h1
mm
35.00
45.00
40.00
45.00
45.00
60.00
55.00
Vial Top H.
h3
mm
8.00
8.50
9.00
10.00
Crown H.
h4
mm
3.60
Tube W.T.
s1
mm
1.00
1.20
Min. Bottom Th.
s2
mm
0.70
Packing & Delivery